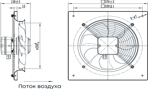
Осевой вентилятор ZernAir SUNAXIS 250 может использоваться как для вытяжной вентиляции, так и для приточной вентиляции. Номинальная производительность модели составляет 950 м3/ч, вентилятор может перемещать воздух с температурой в диапазоне от -30°С до +60°С. Данная модель оборудована однофазным электродвигателем, при необходимости можно регулировать производительность тиристорным регулятором (поставляется отдельно). Вентилятор устанавливается непосредственно в наружную стену, для удобства монтажа оборудован квадратной пластиной.
Технические характеристикиПараметрВеличинаНапряжение, В220Ток, А0,25Частота тока, Гц50Максимальная мощность, Вт
50Тип электродвигателяЭлектродвигатель с внешним роторомПроизводительность, м3/ч
950Скорость вращения, мин-1
1400Уровень шума на расстоянии 3 м, дБ(А)
53Максимальная температура перемещаемого воздуха, С-30...+60Вес, кг4Защита, класс
IP24Размер патрубка, мм
250Страна производства КНР Материал вентилятораСталь, окрашенная полимерным покрытиемМатериал корпусаСталь, окрашенная полимерным покрытиемГабаритные размеры SUNAXIS 250Диаграмма производительности
Корпус и крыльчатка изготавливаются из стали и окрашиваются специальной полимерной краской. Корпус вентилятора оснащен квадратной монтажной пластиной для удобства установки вентилятора на стену. Вентилятор оборудован клеммной коробкой для подключения питания.
ДвигательИспользуется однофазный электродвигатель со встроенной тепловой защитой с автоматическим перезапуском. В двигателе используются подшипник качения, что обеспечивает большой срок эксплуатации.
УправлениеПри необходимости можно снижать производительность вентилятора. Возможно два варианта: плавная или ступенчатая регулировка с помощью тиристорного или автотрансформаторного регулятора (регуляторы приобретаются отдельно). К одному регулирующему устройству могут подключаться сразу несколько вентиляторов, при условии что общая мощность и рабочий ток не будут превышать номинальные параметры регулятора.
Возможно использование регулятора скорости РС-1-300 или MTY-1.5 (приобретается отдельно)
Монтаж
Вентилятор устанавливается на поверхность стены при помощи квадратной присоединительной пластины. Подача питания на вентилятор осуществляется через клеммную коробку на корпусе вентилятора. Электрическое подключение и установка должны выполняться согласно инструкции и электрической схеме, указанной на клеммной коробке.
ГарантияПроизводитель гарантирует нормальную работу вентилятора в течение двух лет с дня продажи через розничную торговую сеть при условии соблюдения правил транспортирования, хранения, монтажа и эксплуатации.









